氣液增壓缸幾種接法:玖容11款氣液增壓缸接法(純分享)
對于初次接觸氣液增壓缸產品的客戶來說,對其有幾種接法以及怎么連接等等,可能并不是很清楚,其實,不同類型的增壓缸接法有所差異,以下為玖容11款氣液增壓缸接法示意圖,僅供參考用,如有不清楚的地方或相關需求可直接撥打18925544859(黃金燕)免費咨詢。
1、JRA標準型氣液增壓缸接法示意圖
2、JRAA標準水平安裝型氣液增壓缸接法示意圖
3、JRB力行程可調氣液增壓缸接法示意圖
4、JRC總行程可調氣液增壓缸接法示意圖
5、JRD總行程及力行程可調氣液增壓缸接法示意圖
6、JRE直壓式氣液增壓缸接法示意圖
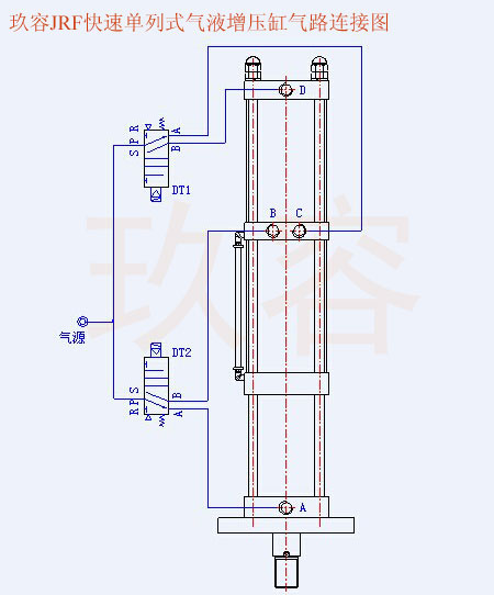
7、JRF快速單列式氣液增壓缸接法示意圖
8、JRG復合式氣液增壓缸接法示意圖
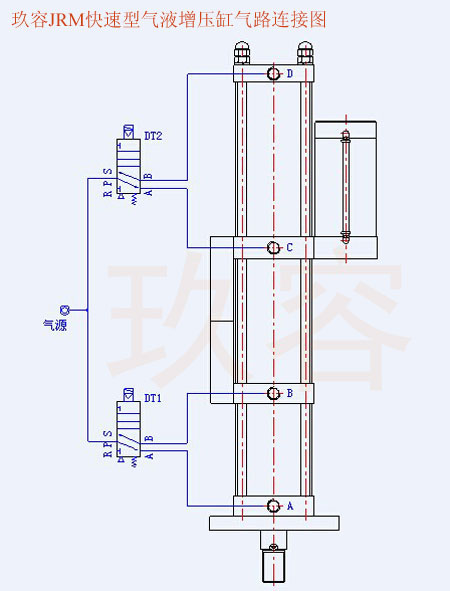
9、JRM快速型氣液增壓缸接法示意圖
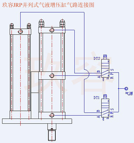
10、JRP并列式氣液增壓缸接法示意圖
11、JRT并列倒裝型氣液增壓缸接法示意圖




